Rope pyramid VVZ-PYR030
VVZ-PYR030 Rope Pyramid
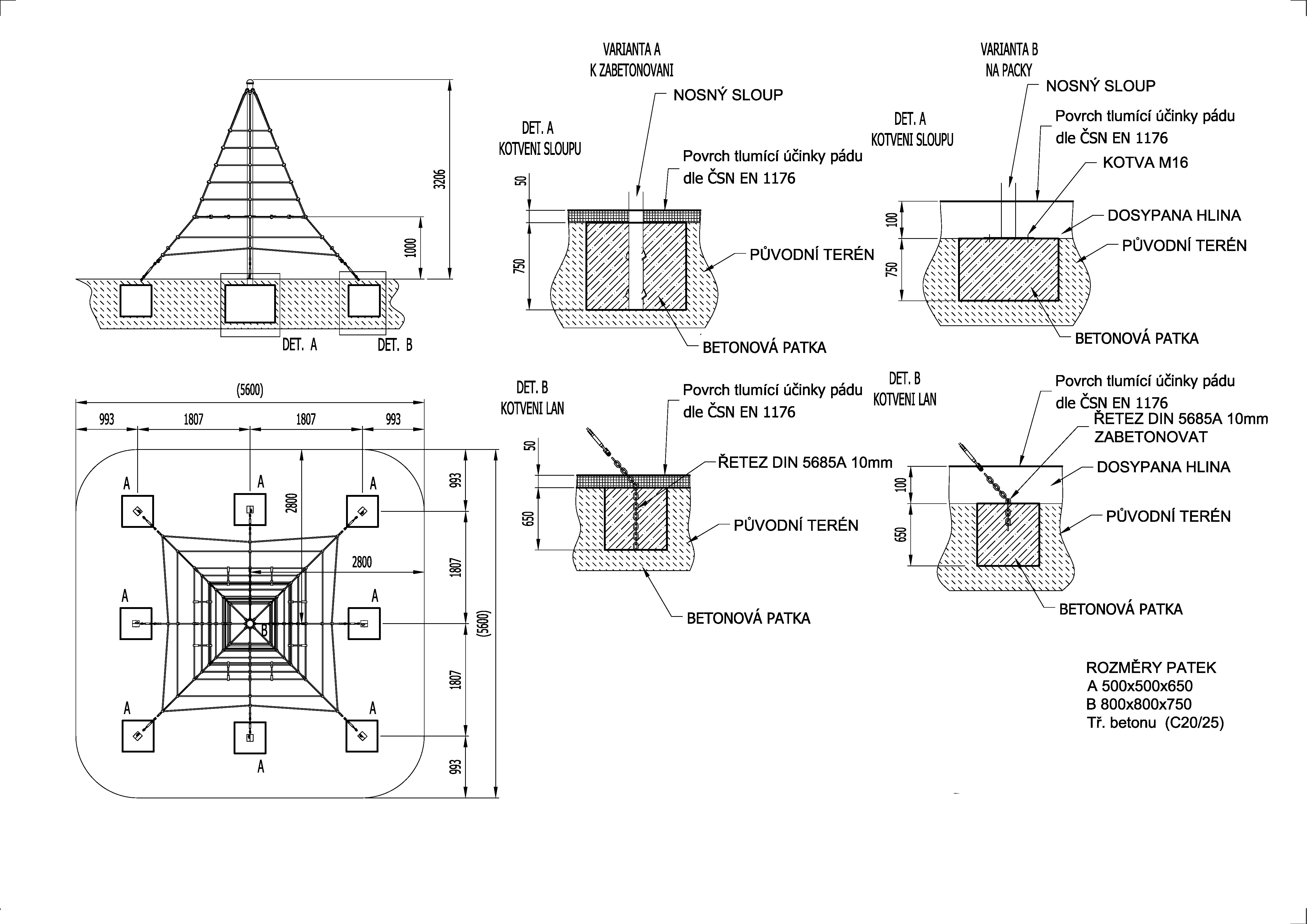
The three-meter rope pyramid is also suitable for smaller children, who, with the presence of a parent, will gain the courage to climb to the top. The play element is made from hot-dip galvanized steel with a high-quality surface finish. The joints are stainless steel and covered with plastic caps to enhance safety and prolong the joints' lifespan. The ropes are made from polyester fibers wound around a core. This rope construction increases its strength and resistance to mechanical stress. Polyester itself has many positive properties: it is resistant to microorganisms and weather conditions, dries quickly after rain, retains its color, and is highly durable.A grass surface can be used as the impact area, but we recommend using a grass reinforcement mat.
Specification
Capacity: 20 persons
Age Category: 3 - 14 years
Element Dimensions: 3,6 × 3,6 × 3,2 m (LxWxH)
Free Fall Height: up to 1,0 m
Impact Area: 5,6 × 5,6 m (as per STN EN 1176-1)
Material: galvanized and powder-coated steel, polyester ropes, stainless steel connectors

Climbing

Yes, we provide transportation in Central Europe.
Each element in our offer is also available with installation, but if you are interested and want to save money, we can provide you with a drawing of the foundations and assembly so that you can install the elements yourself.
All of our items in the offer have been inspected by the Technical Inspection a.s., according to the relevant standard, as evidenced by the certificates that you can find on the website for each product. Although all of our products are approved by the Technical Inspection a.s., the strictest inspectors for us are those who set out on a journey for fun - and it's not just children.
Our products are designed, developed, tested and manufactured in our hall in Trenčín.
Standard delivery time is 4 to 6 weeks from order placement.
































.png&w=200&h=200)















